|
查看此店铺所有供求信息 联系人:颜先生 电话:0755-21001680 手机:13925219291 地址:深圳市龙华新区民治梅陇路南源商业大厦1105室 服务: 价格: 综合: 营业时间:全年营业 QQ/微信/Skype: ![]() |
详细信息
品牌:ETA
封装:SOT23-5
批号:22+
数量*:45000
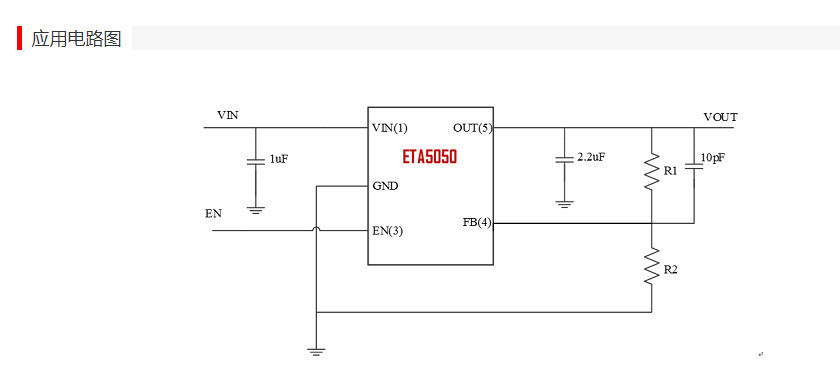
描述:电压可调的500mA LDO
ETA5050是一款500mA输出电流、输出电压可调的低噪声,快速响应的低压差线性稳压器。其宽泛的可调输出范围,可以使客户使用的多种电压的LDO得以统一,极大的方便了客户的设计和采购。同时,500mA的输出电流和超低的压差满足几乎所有6V以下的应用场合。
封装:SOT23-5
批号:22+
数量*:45000
描述:电压可调的500mA LDO
ETA5050是一款500mA输出电流、输出电压可调的低噪声,快速响应的低压差线性稳压器。其宽泛的可调输出范围,可以使客户使用的多种电压的LDO得以统一,极大的方便了客户的设计和采购。同时,500mA的输出电流和超低的压差满足几乎所有6V以下的应用场合。

法律声明:本站只提供信息交流平台,各交易者自己审辨真假,如有损失,本站概不负责。
警方提示:网上买、卖商品要谨慎小心,以免上当受骗。
警方提示:网上买、卖商品要谨慎小心,以免上当受骗。
所有评论
商品评论()
最新评论










